ຜະລິດຕະພັນ
12KV Outdoor Pole Mounted Circuit Breaker
  • 12KV Outdoor Pole Mounted Circuit Breaker12KV Outdoor Pole Mounted Circuit Breaker
  • 12KV Outdoor Pole Mounted Circuit Breaker12KV Outdoor Pole Mounted Circuit Breaker
  • 12KV Outdoor Pole Mounted Circuit Breaker12KV Outdoor Pole Mounted Circuit Breaker

12KV Outdoor Pole Mounted Circuit Breaker

Model:ZW20-12F
Anqiang Power ເປັນຜູ້ຜະລິດຈີນຂອງ 12kV ກາງແຈ້ງ pole mounted circuit breakers. ອຸປະກອນແຈກຈ່າຍໄຟຟ້າທີ່ຕິດຢູ່ຂ້າງນອກນີ້ມີແຮງດັນໄຟຟ້າ 12kV ແລະເຮັດວຽກຢູ່ໃນສາມເຟດ AC 50Hz. ມັນມີຄວາມສາມາດໃນການປິດຄືນທີ່ດີເລີດເມື່ອໃຊ້ກັບເຄື່ອງຄວບຄຸມ, ຕອບສະຫນອງຄວາມຕ້ອງການຂອງລະບົບອັດຕະໂນມັດການແຈກຢາຍ. ມັນຖືກນໍາໃຊ້ຕົ້ນຕໍສໍາລັບການສະຫຼັບເປີດແລະປິດກະແສໄຟຟ້າແລະວົງຈອນສັ້ນໃນລະບົບພະລັງງານ 10kV, ແລະຖືກນໍາໃຊ້ໃນສະຖານີຍ່ອຍແລະລະບົບການແຈກຢາຍວິສາຫະກິດອຸດສາຫະກໍາແລະການຂຸດຄົ້ນບໍ່ແຮ່.

ເຄື່ອງຕັດວົງຈອນຕິດເສົາໄຟຟ້າ ZW20-12F 12KV ທີ່ຜະລິດໂດຍ Anqiang seamlessly ປະສົມປະສານການທໍາງານຂອງ breaker ວົງຈອນສູນຍາກາດ, recloser, ແລະ sectionalizer.  ອຸ​ປະ​ກອນ​ຂອງ​ຕົນ​ໄດ້​ນໍາ​ໃຊ້​ເຕັກ​ໂນ​ໂລ​ຊີ​ການ​ປະ​ທັບ​ຕາ​ອາຍ​ແກ​ັ​ສ​, ການ​ລະ​ເບີດ​, ແລະ​ໂຄງ​ສ້າງ insulation ຂອງ Toshiba ຂອງ VSP5​. ທໍ່ສາຍຂາເຂົ້າແລະຂາອອກຍັງໄດ້ຮັບການປັບປຸງສໍາລັບການປະຕິບັດການຜະນຶກທີ່ດີຂຶ້ນ. ກົນໄກການເຮັດວຽກຂອງພາກຮຽນ spring ໄດ້ຖືກ miniaturized, ແລະວົງຈອນຕົ້ນຕໍມີການຕໍ່ຕ້ານການຕິດຕໍ່ຕ່ໍາ. ດັ່ງນັ້ນ, ເຄື່ອງຕັດວົງຈອນແຮງດັນສູງກາງແຈ້ງນີ້ແມ່ນຜະລິດຕະພັນທີ່ບໍ່ມີການບໍາລຸງຮັກສາແລະເປັນທາງເລືອກທີ່ມັກສໍາລັບເຄື່ອງຕັດວົງຈອນທີ່ມີເສົາ.

ຮູບພາບຜະລິດຕະພັນຕົວຈິງ

12KV Outdoor Pole Mounted Circuit Breaker

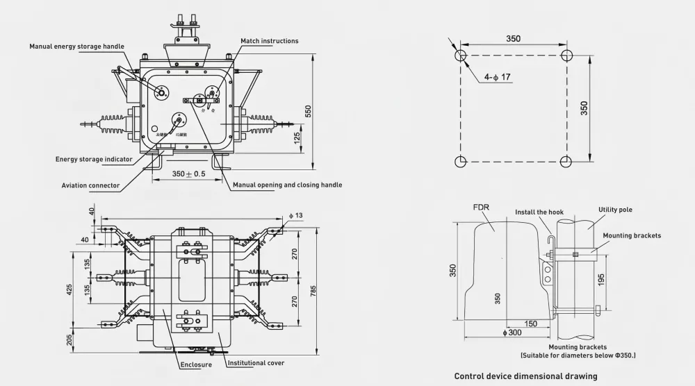
ແຜນວາດຂະຫນາດຜະລິດຕະພັນ

12KV Outdoor Pole Mounted Circuit Breaker

ຕົວກໍານົດການດ້ານວິຊາການ

ໂຄງການ

ຄ່າພາຣາມິເຕີ

ແຮງດັນທີ່ຈັດອັນດັບ

12kV

ລະດັບຄວາມຖີ່

50Hz

ອັນດັບປັດຈຸບັນ

630/1000 ກ

ປະເມີນຄ່າກະແສໄຟຟ້າລັດວົງຈອນ

20/25 kA

ລະດັບສູງສຸດທົນທານຕໍ່ປະຈຸບັນ

50/63 kA

ການປະເມີນໄລຍະເວລາສັ້ນທົນທານຕໍ່ປະຈຸບັນ

20/25 kA

ການຈັດອັນດັບການສ້າງວົງຈອນສັ້ນ

50/63 kA

ໃຫ້ຄະແນນລໍາດັບການດໍາເນີນງານ

ເປີດ - 0.3 ວິນາທີ - ປິດ - 180 ວິນາທີ - ເປີດ - ປິດ

ຊີວິດກົນຈັກ

10,000 ເທື່ອ

ໃຫ້ຄະແນນຮອບວຽນ breaking ໃນປັດຈຸບັນ

10,000 ເທື່ອ

ປະເມີນຄວາມສາມາດໃນການຕັດວົງຈອນສັ້ນ

30 ເທື່ອ

ຄວາມກົດດັນອາຍແກັສ SF6

0 Mpa


ຂໍ້ໄດ້ປຽບຂອງຜະລິດຕະພັນ

ເຄື່ອງຕັດວົງຈອນທີ່ຕິດຢູ່ເສົານອກ 12kV ນີ້ມີລັກສະນະປ້ອງກັນກະແສໄຟຟ້າເກີນ ແລະຕົວຊີ້ບອກການເກັບຮັກສາພະລັງງານໃນພາກຮຽນ spring.  ມັນຍັງມີອຸປະກອນເຊື່ອມຕໍ່ການບິນສໍາລັບການເຊື່ອມຕໍ່ໄຟຟ້າຂັ້ນສອງ, ອໍານວຍຄວາມສະດວກໃນການປະສົມປະສານກັບຕົວຄວບຄຸມອັດສະລິຍະ. ປະສິດທິພາບດ້ານໄຟຟ້າ ແລະກົນຈັກທີ່ດີເລີດຂອງມັນເຮັດໃຫ້ເຄື່ອງຕັດວົງຈອນສູນຍາກາດທີ່ຕິດຢູ່ທາງນອກຂອງ ZW20-12F ສາມາດນຳໃຊ້ໄດ້ຢ່າງກວ້າງຂວາງ.


Hot Tags: 12KV Outdoor Pole Mounted Circuit Breaker, Outdoor Electrical Circuit Breaker, ຜູ້ຜະລິດເຄື່ອງຕັດວົງຈອນໄຟຟ້າແຮງສູງ
ສົ່ງສອບຖາມ
ຂໍ້​ມູນ​ຕິດ​ຕໍ່
  • ທີ່ຢູ່

    Jinlu ເຂດ​ອຸດ​ສາ​ຫະ​ກໍາ​, ເມືອງ Beibaixiang​, ເມືອງ Yueqing​, ເມືອງ Wenzhou​, ແຂວງ Zhejiang​, ຈີນ

  • ໂທ

  • ອີເມລ

    john@chaqele.com

ສໍາລັບການສອບຖາມກ່ຽວກັບ Circuit Breaker, Load Switch, Disconnect Switch ຫຼືລາຍການລາຄາ, ກະລຸນາອອກຈາກອີເມລ໌ຂອງທ່ານໃຫ້ພວກເຮົາແລະພວກເຮົາຈະຕິດຕໍ່ກັບພາຍໃນ 24 ຊົ່ວໂມງ.
ຄໍາແນະນໍາຂ່າວ
X
ພວກເຮົາໃຊ້ cookies ເພື່ອສະເຫນີໃຫ້ທ່ານມີປະສົບການການຊອກຫາທີ່ດີກວ່າ, ວິເຄາະການເຂົ້າຊົມເວັບໄຊທ໌ແລະປັບແຕ່ງເນື້ອຫາ. ໂດຍການນໍາໃຊ້ເວັບໄຊທ໌ນີ້, ທ່ານຕົກລົງເຫັນດີກັບການນໍາໃຊ້ cookies ຂອງພວກເຮົາ. ນະໂຍບາຍຄວາມເປັນສ່ວນຕົວ
ປະຕິເສດ ຍອມຮັບ